分享到:
QQ空间
豆瓣网
巴彦淖尔市自然资源局
巴彦淖尔市人民政府网站
内蒙古自治区自然资源厅
长者模式
|
无障碍浏览
搜索
首页
政务公开
新闻动态
业务查询
办事服务
互动平台
首页
>>
政府信息公开
>>
政府网站工作报表
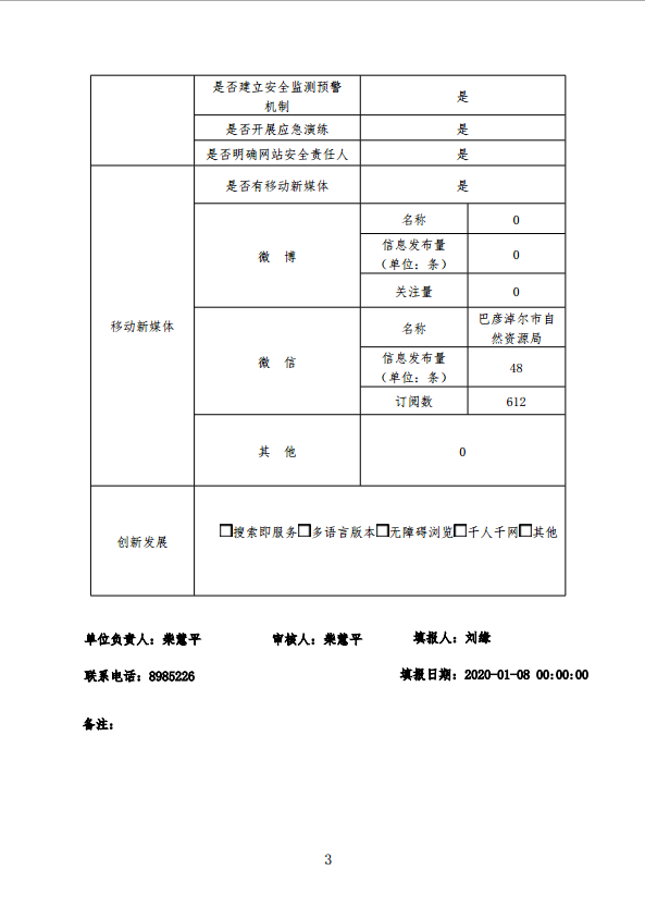
政府网站工作年度报表(2019年度)
来源:
发布时间:2020-01-08 18:12
分享到:
|
附件下载:
相关文档